Jun 071999
 

SEM-25 Transceiver, with Canvas Cover
This page describes the German SEM-25 transceiver. I compiled this information to help other collectors who have (or are thinking of getting) a SEM-25, but cannot find technical information about it; manuals and schematics for this set are very rare in the U.S. at this time.

Please note that I do not have any original manuals for this set, and I do not even have a complete set of copied manuals (for example, I do not have any aligment procedures, and I would have great difficulty understanding them even if I had them due to my very poor command of the German language). I cannot provide any further information beyond what is described here at this time, and I cannot provide manual photocopies or other printed information at this time. This page truly contains everything I know about the SEM-25!

Please comment me if you discover any errors in this paper.

I hope you find this information useful!

 


Description

 

The SEM-25 is a West German short-range tactical vehicular VHF FM transceiver which was introduced in the 1960’s, and was apparently used until at least the 1980’s. Although surplus SEM-25 radios are not yet very common in the U.S., some have recently appeared on the U.S. surplus market from vendors such as Murphy’s Surplus Warehouse.

The SEM-25 covers 26.00 to 69.95 MHz, in 50 kHz steps. It is all solid-state, except for three tubes in the transmitter power amplifier. A SEM-25 system will typically consist of at least the following items:

  • Transceiver chassis
  • Control box (may be mounted on front of transceiver, or remotely)
  • Mounting/power supply
  • Power transient suppressor
  • Antenna tuning unit
  • Antenna
  • Audio accessories ranging from a simple handset to several junction boxes and headsets
  • Various cables

More complicated systems may consist of two SEM-25 transceivers and one EM-25 receiver, with lots of audio gear and cabling, thus providing a set with retransmission and intercom features.

So far, I have only obtained a transceiver chassis, control box and mounting, so I cannot provide much information about the antenna, antenna tuning unit, power surge protector or other accessories at this time. The audio connections on the control box and main chassis are compatible with common 1950’s U.S. audio accessories such as the H-33/PT handset and LS-166/U loudspeaker. Pictures I have seen of the correct German audio accessories (well, actually photocopied photocopied photocopies…) suggest that the correct German handset (called an H-33G) appears virtually identical to its U.S. counterpart, and the correct loudspeaker has a case like a U.S. LS-7 loudspeaker with a mounting like a U.S. LS-166. The headset looks a lot like a U.S. H-63/U with an AN/GSA-6 control box. The antenna whip elements are called MS118AK, MS117A and MS116A, and look very similar to U.S. elements with similar names, and the antenna base looks a lot like the U.S. MP-65. The knobs on the control box look just like 1950’s U.S. knobs. I’m really surprised at the similarities between this set and comparable U.S. sets, in spite of the fact that they were designed and built in different countries.

I first learned of the existence of the SEM-25 when I saw a pile of them on the shelves in the famous back room of Murphy’s shop in late 1998. Although I had never been very interested in foreign military gear before, the SEM-25 looked like a neat radio, so I talked my folks into getting me one for Christmas in 1998. My dad and I made the hour-long drive down to Murphy’s shop on Christmas Eve, and I picked out the nicest-looking radio from the pile. It was even gift-wrapped in a stylish olive drab canvas cover!

At the time, Mike was charging $350 for the SEM-25, and $250 for a smaller but similar-looking radio which he called a “SEM-20”. The smaller radio is actually an EM-25 receiver; it’s basically a receive-only version of the SEM-25. It’s easy to get confused about the features and identification of these two radios, because they both use the same control box and share many modules, so the EM-25 is prone to have stickers which say “SEM-25” (or even “SEM-35”; it shares two internal modules with the SEM-35 backpack transceiver) on and inside it, and it will have controls for transmitting functions which it does not perform.

The “SEM” in “SEM-25” is short for “Sender-Empfangsgerät”, which is German for “transmitter-receiver”. Similarly, the “EM” in “EM-25” is short for “Empfangsgerät”, which is German for “receiver”.

 


Specifications

General

 

Modes Simplex, retransmit
Frequency range 26.00-69.95 MHz
Channel spacing 50 kHz
Number of channels 880
Channel selection 44 1-MHz bands, 20 50-kHz channels each
Programmable channels 10
Modulation FM
Operation, including frequency selection Operated from a transceiver-mounted control box, or from a relocatable control box in vehicle (max. cable length 10m)
Transmitter operation
  1. From handset or aux. receiver
  2. From on-board intercom
  3. From telephone remote control
Remote input and output arrangement From telephone remote control over field phone wires, up to 3 km long, max. resistance 480 ohms
Temperature range Operating range from -45°C to +60°C
Overvoltage protector For transients up to 65V from the battery regulator
Power supply 24V battery supply, negative ground, permissible voltage range 21V to 29V, short term overvoltage up to 32V

 


Transmitter

 

Output power High: 15 W
Low: approx. 1 W
Calling frequency 1600 Hz
Audio input
  1. 0.25 V from 150 ohm carbon microphone
  2. 0 dB from 600 ohm balanced line
Warm-up time approx. 30 seconds

 


Receiver

 

Sensitivity <= 0.5 µV for 20 dB s/n with 1000 Hz modulation and 10.5 kHz deviation
Bandwidth >= 30 kHz at 6 dB points
Selectivity +/- 50 kHz at 80 dB points
Audio output
  1. 0.6 W into 5 ohm loudspeaker
  2. 50 mW into 600 ohm headset
  3. 1 mW into 600 ohm balanced line

 


Power Supply

 

Voltage 24V battery (21V to 29V), negative ground, permissible short term overvoltage up to 32V
Power requirements, RX approx. 10 W
Power requirements, TX Low approx. 50 W while transmitting
Power requirements, TX High approx. 80 W while transmitting
Power requirements, TX Low or TX High approx. 29 W when not transmitting

 


Sizes and Weights

 

Item Height (mm) Width (mm) Depth (mm) Weight (kg)
Control box 174 228 75.5 2.54
Transceiver 222 268 255 14.59
Transceiver mount 120 320 300 9.43
Receiver 222 196 255 11.08
Receiver mount 120 320 230 6.68
Antenna tuning unit 122 290 110 3.70
Overvoltage protector 93 250 126 2.62
Spares case 48 140 140 0.73

 


Controls

This section decribes the functions of the controls on the SEM-25 control box.

 

Control Box

Ref. Description
A Channel programming drum (behind cover)
B Call button: Keys transmitter, sends 1600 Hz tone
C Squelch
D Volume
E Manual tuning, 1 MHz steps
F Manual tuning, 50 kHz steps
G Power
H Channel selector (H = manual tuning)
I Power-on light (turn bezel to dim)

 

 

 


Power Switch Settings (Ref. G)

 

AUS: Off
EMPF: Receive-only
SENDEN KLEIN: Transmit/receive (low power)
SENDEN GROSS: Transmit/receive (high power)

 


Squelch Switch Settings (Ref. C)

Note: Squelch is opened by carrier level, equivalent to “old” mode in U.S. radios.

 

RAUSCHSP. AUS: Squelch off
RAUSCHSP. EIN: Squelch on
RELAIS: Relay (retransmit)

 


Connectors

This section describes the functions of the external connectors on the SEM-25.

 

Connectors, Left Side Connectors, Front Connectors, Right Side

Ref. Description
J From transceiver #1 in multi-radio sets
K Antenna tuner control
L Antenna RF
M Power input
N Mounting/transceiver interconnect
O Audio
P Control box/mounting interconnect
Q Receiver fuse (2A)
R Transmitter fuse (6.3A)
S To transceiver #2 or aux. receiver in multi-radio sets

 

 

 


Modules

This section identifies the SEM-25’s major internal modules. Note that two of the modules (as noted below) are also used in the SEM-35 backpack/vehicular transceiver.

 

Main Chassis, Left Rear View Main Chassis, Right Rear View Main Chassis, Behind Front Panel Mounting/Power Supply

Ref. Description
N Mounting/transceiver interconnect (external)
O Audio connector (external)
P Control box/mounting interconnect (external)
Q Receiver fuse (2A) (external)
R Transmitter fuse (6.3A) (external)
T Transmitter RF
U Receiver RF
V Modulator amplifier, 1600 Hz tone generator, and 11.5 MHz discriminator for automatic frequency control (AFC) of transmitter
W Audio amplifier
X Receiver power supply and control amplifier
Y Frequency synthesizer (also used in SEM-35)
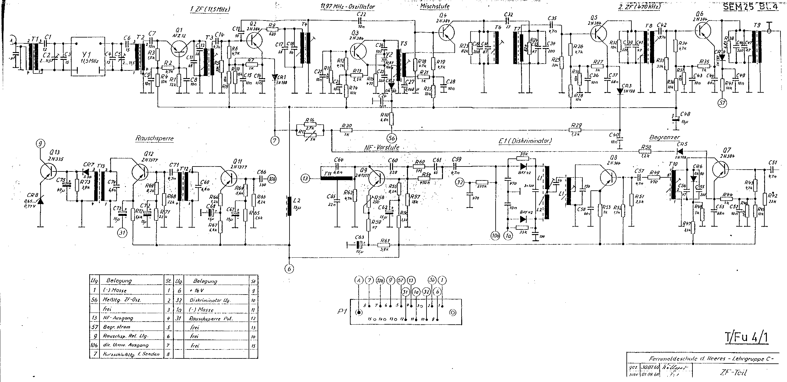
Z IF (Intermediate Frequency) module (also used in SEM-35)
AA Plugs for test box
BB 10-frequency crystal oscillator
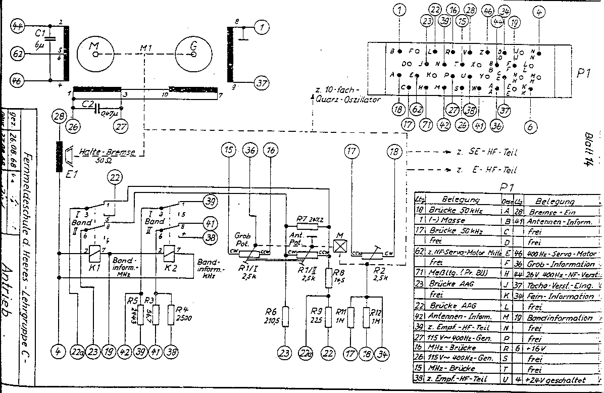
CC Receiver servo
DD Transmitter servo
EE Transmitter power supply
FF Motor drive power supply for external antenna tuner
GG Relays for interconnect of multiple transceivers
HH 600 ohm balanced audio connections

 

 

 


Internal Adjustments

While we have the case open, here are some of the major internal adjustments:

 

Control Label Location Function
R36 Rauschperre Audio amp. (Ref. W) Squelch level
R5 NF-Pegel Audio amp. (Ref. W) Audio level
R13 Eing. Mod. amp. (Ref. V) Mod. amp. input gain
R26 Ausg. Mod. amp. (Ref. V) Mod. amp. output gain
R38 Tacho Rx power supply (Ref. X) Stepping speed trim (?)

 


Schematics

The diagrams in this section were scanned at 150 pixels per inch, and you will probably need to use an external graphics-editing program to print them (simply clicking your browser’s “Print” button probably won’t work well).

The diagrams were all scanned from photocopied manuals, and the originals are just as blurry as the scans, so don’t bother asking for photocopies of the schematics! :-)

 


Block Diagrams

Description File Size
Transceiver blk01.gif 1100×1338, 33k
Frequency selection blk02.gif 1100×1540, 44k
Receiver blk03.gif 1172×946, 20k
Transmitter blk04.gif 1082×888, 12k
Antenna tuner (external) blk05.gif 948×1240, 15k

 


Schematic Diagrams

The “Ref.” column shows the corresponding reference letters from the module identification pictures (where applicable), to help you figure out which part of the radio is described by each schematic.

Description Ref. File Size
Wiring (main chassis) sch01.gif 1744×1232, 90k
Transmitter RF T sch02.gif 1744×1232, 70k
Receiver RF U sch03.gif 1744×1232, 70k
Modulator amplifier module V sch04.gif 1744×1232, 62k
Audio amplifier module W sch05.gif 1744×1232, 55k
Receiver power supply module X sch06.gif 1744×1232, 66k
Frequency synthesizer module Y sch07.gif 2381×1231, 117k
IF module Z sch08.gif 2539×1232, 84k
10-freq. crystal oscillator BB sch09.gif 1193×768, 17k
Receiver servo CC sch10.gif 1196×778, 38k
Transmitter servo DD sch11.gif 1172×809, 19k
Control box sch12.gif 3042×1226, 104k
Wiring (mounting) sch13.gif 1744×1232, 94k
Transmitter power supply EE sch14.gif 778×1159, 36k
Motor drive power supply FF sch15.gif 1187×772, 26k
Interconnect relays GG sch16.gif 1197×794, 36k
Transient protector (external) sch17.gif 1201×790, 34k
Antenna tuner (external) sch18.gif 1744×1232, 68k

 


English/German Translations

This section lists rough translations of some German words, phrases and abbreviations as used in the SEM-25’s schematics, module labels, etc. My command of German is very poor, so there may be mistakes here… please comment if you can correct any of my translations!

Abstimmgerät
Radio tuner (tune + apparatus)
Abstimmteil
Radio tuner section (tune + part)
Additionsstufe
Addition stage
Anschluß
Connection
Antennen
Antennas
Antrieb
Drive, driver, motor
Ausgang
Output
Bausteinträger
Component carrier
Bauteile
Components
Bedien
Control head
Begrenzer
Limiter
Blockschaltbild
Block diagram
Bordbatterie
On-board battery
Bordverstärker
Intercom (on-board + amplifier)
Diskriminator
Discriminator
Eingang
Input
Einsatz
Part, component
Empf.
Receive or receiver
Empfänger
Receiver
Endstufe
Output stage
erdfrei
Balanced (i.e. “balanced line”; literally, “ground-free”)
Frequenzaufbereitung
Frequency synthesizer
Funk
Radio
geschlossen
Closed
gezeichnet
Drawn
gross
Large
Grundplatte
Mounting (base + plate)
HF
Radio frequency (RF)
Hinweis
Note
im
In
Kanalwahl
Channel selection
klein
Small
Leitung
Line, wire
Ltg.
Line, wire
Masse
Common, ground
Mischstufe
Mixer
Netzgerät
Mains power adapter
NF
Audio frequency
Oberton
Overtone
offen
Open
Oszillator
Oscillator
Prüfgerät
Test meter
quarz
Quartz
rauschperre
Squelch (noise + stop)
relais
Relay, retransmit
rufen
Call
ruhezustand
Off-state
senden
Transmit
Sender
Transmitter
Servoverstärker
Servo amplifier
Steuerverstärker
Servo amplifier
Stromversorgung
Power supply
Teil
Part
Transientschutz
Transient protector
Treibertufe
Driver stage
Trennstufe
Divider stage
Umwandler
Converter
Verstärker
Amplifier
Vorstufe
Input stage
ZF
Intermediate frequency (IF)

 


Credits

This work would not have been possible without the generous assistance of the following people:

Pictures were taken with a Sony MVC-FD91 digital camera. Reference letters were added with Visio 4 on a Windows NT box; all other image editing was performed with xv and gimp on a Redhat Linux system.

Scanned documents were scanned with a Umax Astra 1220S scanner and the SANE software under Redhat Linux, and then edited with xv and gimp.

 

  99 Responses to “The German SEM-25 Transceiver”

  1. Hello Bruno !
    You can find the schematic diagram of the control-Box in the upper Part of this page (Schematic Diagrams –> Sch12.gif) – and also the schematic of the audio acessory as the Handset H-33. I think the problem is that you don’t have any power for your ANR-circuit supplied via the U-77-Connector.
    73,
    Klaus, DL4FCY

  2. Hello

    I would like to ask for some information regarding the values of the following components from antenna tuner schematic sch18.gif

    I have two antennae and want to use them for CB27 without the big antenna tuner. I just want to add similar LC external components and tune the antenna to 27mhz.

    I have miniVNA and may fine tune it. I just need rough estimation for:
    L3
    C22
    C24 – 82pF
    L1
    L2

    Thank you

  3. Hi Pavlik !
    If you want to use your antennas for 27 MHz only, then, for my opinion, it would make sense to buy a cheap little matchbox for CB-devices, because the bandwith of the antenna is probably to small for working on different channels, if you want to do so. If you only want to work always on the same channel, you can align the antenna for the best swr, and then you don’t need a matchbox.
    The original antenna tuner (AGAT) was developed, so that it was possible to use one antenna für the complete frequency range (26 – 70 MHz). I use my SEM 25 with a manual Yaesu FC-700-Tuner, so I can transmit with my antenna (modified CB-Mobile-Antenna INDOOR) on 10m FM. The AGAT is connected to the SEM 25- Mounting, so I can see if the switched (Control-Box) and indicated frequency on the top of the AGAT are the same.
    Please refer the CB-regulations in your country, because in Germany the last Number of the frequencies for CB always is “5”, for example, Channel 4 is 27,005 MHz. Unfortunately the SEM 25 only switches in 50 kHz-Steps, so that there is a difference of 5 kHz between the selected frequency of the SEM 25 and the correct CB-frequency…
    73,
    Klaus, DL4FCY

  4. Hello Klaus

    Thank you for the fast reply. I am intending to use the antennas with standard CB radio, set properly to the country channel list.

    Thanks to the warm weather, I spend some time with the NanoVNA and the antenna.

    from yesterday:
    3 element – https://drive.google.com/open?id=1mLbAtVff_F-SBY951dkwNm-GBGxr6oca
    2 element – https://drive.google.com/open?id=1thoth4Q_eyqYJd7PdXiC9DyGmWBQ8fbx

    3 element PC soft after calibration – https://drive.google.com/open?id=1GoQ7CzmAhY6w-fRzZYyHveISXzG_VN45
    3 element tuned with L to GND and C in parallel. – https://drive.google.com/open?id=1wCJQqwdlCZ0AZo2pT6kZaVKmmuEEktxp

    seems possible to make simple transmatch for CB, just need to dig for some old trimmer caps

    Will post results when the antenna is installed.

  5. Hello @ all !

    Here is a information for all who are searching for mil-rig and accessories: One of the “better sources” for olive-green mil radio-stuff in germany is closed ! http://www.helmut-singer.de in Aachen unfortunately doesn’t exist anymore. For many years it has been a competent supporter for mil-collectors around the globe – not only for hardware – they nearly always had a answer questions round about mil-radio and much more.

    73,
    Klaus, DL4FCY

  6. Hello SEM-25 community !
    After a long time today I can proudly announce that my SEM 25 is working again !!! After getting the complete technical documentation I tried – again – to get the radio back to life-together with the SEP 25. After doing the re-adjust of the voltage-delivery for receiver and transmitter, and after the re-alignment of the tubes the radio began to do what it was made for (many years ago…in 1969-I found the stamp inside the chassis). Unfortunately I changed V1 to the well-known QQE-03/12, and it didn’t worked well. Later I replaced it with the original tube QQE-03/12Y-and that’s been a part of the problem. Then I changed the modulation amplifier, and now its back to life !!!!
    Many times ago I’ve sent the Technical documentation (TDv 5820-046/40) to Mark. Maybe it’s possible to host it here on the page ?
    73,
    Klaus, DL4FCY